www.seveke.de -> Technik --> Werte ---> Anschlüsse nach DIN und Nitrox-Norm EN144-3

Texte und Bilder freundlicherweise von Till Uhde


DIN 477 (Sauerstoff, 300bar)                                         Alle Bilder mit Klick vergrößerbar!

In der DIN (Gewinde G5/8") sind Anschlüsse für 200-bar-Pressluft und 300 bar enthalten.
Auch bei der neuen Nitrox-Norm (Gewinde M26x2) nach EN144-3 gibt es Ausführungen für 200 und 300 bar.
Auch hier sind die Anschlüsse so ausgebildet, dass sich ein 200-bar-Atemregler nicht an eine 300-bar-Flasche und ein 300-bar-Füllschlauch nicht an eine 200-bar-Flasche anschließen lassen.

Ein 200-bar- Atemregler passt in ein 200-bar-Ventil, klar.

200-bar-Atemregler im 200-bar-Ventil

Ein 300-bar- Atemregler passt in ein 300-bar-Ventil, auch klar.

300-bar-Atemregler im 300-bar-Ventil

Ein 300-bar-Atemregler passt aber auch in ein 200-bar- Ventil. Die schmale Nase passt in die größere Bohrung; das Gewinde greift nicht so tief und der Atemregler steht etwas ab.

300-bar-Atemregler im 200-bar-Ventil

Ein 200-bar-Atemregler passt aber nicht in ein 300-bar-Ventil. Im Bild sind die Stellen, die kollidieren, rot eingezeichnet. Die breite Nase passt nicht in die kleine Bohrung.
In der Praxis würde sich der Atemregler nicht dichtschrauben lassen.

200 Bar Atemregler im 300 Bar Ventil
200 Bar Füllschlauch im 200 Bar Ventil

Der 200-bar-Füllanschluss passt in beide Ventile.

200-bar-Füllschlauch im 300-bar-Ventil
300-bar-Füllschlauch im 200-bar-Ventil

Der 300-bar- Füllanschluss passt aber nur in das 300-bar- Ventil.

300-bar-Füllschlauch im 300-bar-Ventil
Verschlussstopfen im 200-bar-Ventil

Der Verschlußstopfen ist für beide Ventile gleich. Lediglich die Einschraubtiefe variiert.

Verschlussstopfen im 300-bar-Ventil

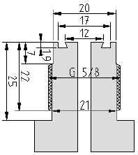
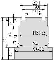
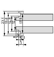
Und für die Selberdreher noch ein paar Maßzeichnungen (oben M26x2, unten G5/8")

Nitrox200-Ventilausgang Nitrox200-Entnahmestutzen Nitrox200-Entnahmestutzen-Handrad Nitrox200-Füllstutzen

200-bar-Ventilausgang

200-bar-Entnahmestutzen Handrad 200-bar-Entnahmestutzen

200-bar-Füllstutzen

DIN-200bar-Ventilausgang din200-entnahmestutzen-mini.png (1435 Byte) DIN-200bar-Entnahmestutzen-Handrad DIN-200bar-Füllstutzen

Nitrox200-Füllstutzen-Handrad Nitrox Verschlußstopfen Nitrox300-Ventilausgang Nitrox300-bar-Entnahmestutzen
Handrad zum 200-bar- Füllstutzen  Verschlussstopfen für beide Ventile  300-bar-Ventilausgang 300-bar- Entnahmestutzen
DIN-200bar-Füllstutzenhandrad DIN-Verschlussstopfen DIN-300bar-Ventilausgang DIN-300bar-Entnahmestutzen

Nitrox300-Entnahmestutzen-Handrad Nitrox300-Füllstutzen Nitrox300-Füllstutzen-Handrad
Handrad zum 300-bar-Entnahmestutzen 300-bar-Füllstutzen Handrad zum 300-bar- Füllstutzen
DIN-300bar-Entnahmestutzen-Handrad DIN-300bar-Füllstutzen DIN-300bar-Fuellstutzen-Handrad

DIN 477 Teil 5, Anschluss 59

DIN477 beschreibt Ventilanschlüsse für technische Gase,
Teil 5 ist relativ neu und beschreibt die 300-bar-Anschlüsse.
Der Anschluss 59 ist für Sauerstoff.

DIN-477-5-59 Sauerstoff 300barKlick auf die Bilder vergrößert die Darstellung!

din-477-5-59-Ventilausgang din-477-5-59-Entnahmestutzen

DIN-477-5-59-Entnahmestutzen-Handrad

Ventilausgang

Entnahmestutzen

Handrad Entnahmestutzen

www.seveke.de -> Technik --> Werte ---> Anschlüsse Letzte Änderung: 16.03.21