Titelseite ->
Altes -->Das DTG "Hydromat"
POSEIDON 5/1971
Gefertigte Varianten des Hydromat-Reglers
In den ersten Jahren der Taucherausbildung in der
GST wurden ausschließlich die für den Einsatz im Wasserrettungsdienst des DRK
ausgelegten DTG 713 und 713A des VEB Medizintechnik Leipzig verwendet. Die mit den
Leistungen der Sporttaucher ständig steigenden Anforderungen konnten mit diesem DTG nicht
erfüllt werden.
Im Jahre 1963 wurde mit dem DTG "Hydromat" eine Neuentwicklung des VEB
Medizintechnik Leipzig zur Verfügung gestellt. Eine vom Hersteller 1966 vorgenommene
Überarbeitung und Erweiterung dieses DTG führte zur derzeitigen Form. Das
"Hydromat" ist ein Gerät moderner Konzeption, das vorwiegend für Sporttaucher
entwickelt wurde, darüber hinaus aber auch auf dem Gebiet des beruflichen Tauchens und in
den bewaffneten Organen eingesetzt wird.

|
 |
Die Entwicklung des DTG
"Hydromat" richtete sich nach dem Prinzip des Baukastensystems, es lässt sich
mit den entsprechenden Umbauteilen vielen Anforderungen und Einsatzgebieten optimal
anpassen.
Die Grundbaureihe des DTG ist aus dem Bild oben ersichtlich. Das DTG kann wahlweise als
Ein-, Zwei- oder Dreiflaschengerät benutzt werden.
Die Ausführungsform als Dreiflaschengerät zeigt das Bild links. Es kann immer der
zweistufig-kompakte Regler oder ein zweistufig-getrennter Regler benutzt werden. |
 |
Der Regler des DTG
"Hydromat"
 |
Kompakte
Ausführung:
Hydromat 62004
In der Standardausführung wird das Gerät mit einem
zweistufigen Regler in kompakter Bauweise angeboten. Aufbau und Funktion dieses Reglers
wurden schon beschrieben. |
| Das Bild rechts zeigt diesen Regler im teilweise
zerlegten Zustand. Hier sind zu erkennen: -
Gehäuseoberteil mit Entenschnabelventil
und Ausatemschlauch,
- Einatemschlauch,
- Mundstück,
- Ventile des Mundstücks,
- Membran und
- Gehäuseunterteil mit eingebauter Hoch-
und Niederdruckstufe.
Der Regler besitzt einen Einatemwiderstand von etwa 40mm WS
und ist auch für spezielle Einsatzgebiete, wie z.B. Benutzung eines CV-Anzuges oder einer
Vollgesichts-Tauchmaske, geeignet. |
 |
Getrennte
Ausführung (62017, bekannt als "Hydromat 66")
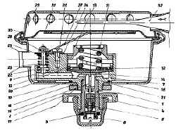
Der Regler ist wie folgt aufgebaut (Bild
unten):
Mit der Handverschraubung (Teil 1) wird die
Hochdruckstufe an den Druckluft-Vorratsbehälter angeschlossen. Über den 0-Ring aus Gummi
(Teil 2) wird mit Hilfe des Hochdruckes eine selbsttätige Dichtung der Verbindungsstelle
erreicht. Beim Einatmen durch das Gummimundstück (Teil 3) entsteht im Niederdruckraum (4)
ein relativer Unterdruck, der die Membran (Teil 5) in Richtung des Hebels (Teil 6) bewegt.
Dieser Hebel wird unter der Wirkung einer kegligen Druckfeder (Teil 7) fest gegen den Sitz
des Ventils (Teil 8) gedrückt. Bewegt die Membran den Hebel (Teil 6), so wird das Ventil
durch Verkanten geöffnet, und die Luft kann aus dem Zwischendruckschlauch (Teil 9)
ausströmen. |
 |
Die Funktion der Hochdruckstufe ist die gleiche,
wie sie bereits beschrieben wurde. Neu ist lediglich die Anordnung eines Überdruckventils
(Teil 14) in der Hochdruckstufe. Dieses Ventil ist konstruktiv bedingt: Beide Stufen
besitzen Ventile, die mit dem Druck schließen (Schließrichtung = Richtung der
durchströmenden Luft). Schließt die Hochdruckstufe bei einem Ventilschaden nicht
vollständig, so erhöht sich der Druck im Zwischendruckbereich ständig, da das Ventil
der Niederdruckstufe nicht durch den Zwischendruck geöffnet werden und abblasen kann. Der
Zwischendruck erhöht sich solange, bis ein Teil des Reglers zu Bruch geht (meist der
Zwischendruckschlauch). Diese Beschädigung wird vermieden, wenn durch den erhöhten
Zwischendruck das Sicherheitsventil geöffnet wird und die Luft entweichen kann. Die
Ausatmung erfolgt durch das Ausatemventil (Teil 15) und über den
Ausatemluft-Ableitungskanal (Teil 16) ins Wasser. |
Über den gummi-elastischen
Spülknopf (Teil 17), der im Gehäuseoberteil der Niederdruckstufe angebracht ist, kann
das Niederdruckventil von Hand geöffnet werden, um z.B. eingedrungenes Wasser
auszublasen, zusätzlich Luft zu erhalten oder den Zwischendruckraum nach dem Tauchen zu
entleeren. Der Regler besitzt einen Einatemwiderstand von 35 mmWS bei einem mittleren
Atemminutenvolumen von 30 l/min.
2.
Druckluft-Vorratsbehälter |
 |
Das DTG
"Hydromat" wird ausschließlich mit 7-l-Leichtstahlflaschen geliefert. Die
Flaschen weisen drei unterschiedliche Ventilarten auf:
Ventil mit
eingebauter Reserveschaltung und Finimeteranschluß
Dieses Ventil (rechte Flasche) vereint die
Baugruppen der Luftabsperrung, der Reserveschaltung und des Finimeteranschlusses in einem
Ventilgehäuse. An jedem DTG "Hydromat" ist die Flasche mit diesem Ventil einmal
vorhanden (vergl. Bild oben).
Einfaches Ventil
Das Ventil (linke Flasche) dient nur der Luftabsperrung. |
Doppelventil
Beim Dreiflaschengerät ist es
erforderlich, die Luft über zwei T-Stücke aus der äußeren Flasche zunächst zur
Mittelflasche und von dieser zum Regler zu leiten. Für den Anschluß der beiden T-Stücke
besitzt deshalb die Mittelflasche ein Durchgangsventil.
Alle Flaschen werden mit einem Mehrschichten-Anstrich geliefert, der sich gegenüber
einfachen Anstrichen durch größere Haltbarkeit auszeichnet. Dieser Anstrich sollte erst
dann entfernt werden, wenn eine vollkommene Anstricherneuerung unerläßlich geworden ist.
Zum Schutz gegen Anstrich-Beschädigungen des Flaschenbodens können vom Hersteller
Gummistandfüße bezogen werden. |
 |
3.
Tragegestell
Für die drei Grundbauformen des DTG
"Hydromat" werden drei unterschiedliche Tragegestelle verwendet, da die
Anordnung der Flaschen zu unterschiedlich ist.
Einflaschengerät:
Das Tragegestell (siehe oben) besteht aus einer
glasfaserverstärkten Polyester-Formschale, die entsprechende Blechschellen für die
Befestigung der Flasche und Durchbrüche für die Gurte aufweist. Die Formschale
ermöglicht einen bequemen Sitz des Gerätes am Körper und verhindert weitgehend seine
Verschiebung beim Tauchen.
Zwei- und
Dreiflaschengerät:
Als Tragegestell werden für beide Geräte
unterschiedlich geformte Blechschellen verwendet, die mit Spannschrauben gespannt werden.
Form und Anordnung des Tragegestells für das Zweiflaschengerät ist aus dem Bild
ersichtlich. Das Gurtsystem ist für alle drei Grundbauformen einheitlich, nur für das
Dreiflaschengerät wird ein besonderer Schrittgurt benötigt.
Das Gurtsystem besteht aus den beiden Schultergurten, dem
Leibgurt und dem Schrittgurt. Sämtliche Gurte weisen zur Längenverstellung günstige
Verstellmöglichkeiten auf. Schrittgurt und Leibgurt werden zentral durch zwei leicht zu
öffnende Bügelschnellverschlüsse verschlossen, sie sichern ein schnelles Abwerfen
des Gerätes im Gefahrenfall. Die Gurte bestehen aus breitem Dederongewebe und sind
ausreichend verschleißfest.
4. Kontroll- und
Sicherheitseinrichtungen
Das DTG "Hydromat" besitzt eine
Reserveschaltung, die auf eine Flasche wirkt, und ein Finimeter.
Reserveschaltung:
Die Reserveschaltung arbeitet nach dem Sperrprinzip,
sie sperrt beim Erreichen des eingestellten Druckes die Luftzufuhr automatisch ab. Der
Restvorrat der Flasche (eingestellt auf 40 kp/cm2) kann erst verbraucht werden, wenn die
Reserveschaltung durch Ziehen an der Zugstange geöffnet wird. |
Gefertigte Varianten
des 2-Schlauch-Reglers:
1. Ausführung 1965-66
- Hochglanz-Chrom,
- 1-Punkt-Hebel,
- eigene Ausführung 2. Stufe,
|
2.
Ausführung 1966-73
- etwas matterer Chrom,
- Hufeisen-Hebel,
- 2. Stufe vor Einatemstutzen,
|
3. Ausführung 1973-74
- grobkörniger Chrom,
- MD-Anschluss,
- Handrad mit Gummi,
- 2. Stufe verdreht zum Einatemstutzen, |
 |
 |
 |
 |
 |
 |
 |
 |
 |
 |
 |
 |
|
Micha hat noch ein Muster aus der Entwicklung des Hydromaten von etwa 1964
aufgetrieben.
Es kommt der ersten produzierten Variante schon sehr nahe.
Lediglich die Zahl der Sicken in der Unterschale ist geringer und der
Schlauchanschluss geringer im Durchmesser. |
 |
 |
|
 |

|
Ja, und dann gab es bei Leuten,
die nichts wegwerfen ;-), einen Kompaktregler, auf den ersten Blick ein Hydromat, aber mit
einer flacheren Unterschale.
Beim Öffnen stößt man auf ein Innenleben, das dem Mistral stark nachempfunden ist.
Aha, hier war ein Bastler am Werk,...dachten wir.
Aber dann kam ein anderer Freund, der auch alles aufhebt, mit einer Originalzeichnung von
MEDI von 1966, die genau diesen Regler zeigte!
Nanu, bei MEDI wurde also neben der laufenden Prodktion des Hydromaten noch an einem
einstufigen Automaten gewerkelt. Warum und was daraus geworden ist, keine Ahnung. Auch
meine Zeitzeugen wussten nichts davon. |
 |
 |
Das Ende der Produktion von Tauchgeräten
bei MEDI/MLW liegt sowieso im Dunklen. Die oben angegebenen Jahreszahlen stammen aus
offiziellen Dokumenten von MLW. Und meine alten Bekannten von dort sagen auch steif und
fest, dass 1974 Schluss war. Die Produktion sollte im Rahmen der viel gepriesenen
Spezialisierung im RGW nach Ungarn ausgelagert werden.
Andererseits tauchten bis Ende der 1980er Jahre immer weiter fabrikneue TG bei den
entsprechenden Organen und auch der GST auf. Die Zeichnung der 3. Variante oben stammt so
auch von 1988.
Es wäre also denkbar, dass ein bedürftiges "Organ", z.B. das MdI oder
die Volksmarine, die Produktion oder zumindest die Montage aus bis 1974 gefertigten Teilen
"heimlich" fortgesetzt hat, da man der Spezialisierung erfahrungsgemäß nicht
traute und die Geräte ja weiter brauchte.
Wenn jemand dazu Informationen hat, höre ich gerne zu! |
|